產品展示
您現在的位置: 首頁--產品展示
產品描述
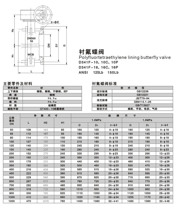
D341F46法蘭襯氟蝶閥是為了適應一些具有強酸、強堿的腐蝕性環境,石油、化工、食品等多個特殊領域的需要,在常規蝶閥的閥內和閥板上襯聚四氟,使介質和閥體隔離,達到防腐的效果。襯氟蝶閥在常規條件下可以替代不銹鋼閥體,具有更高的性價比。蝶閥的蝶板安裝于管道的直徑方向。在蝶閥閥體圓柱形通道內,圓盤形蝶板繞著軸線旋轉,旋轉角度為0°~90°之間,旋轉到90°時,閥門則牌全開狀態。D341F型法蘭襯氟蝶閥適用于各種不同類型工業管道中液體和氣體(包括蒸 氣)的輸送,特別是具有嚴重腐蝕性介質的使用場合,如:硫酸、氫氟酸、磷酸、氯氣、強堿、王水等具有強腐蝕性的介質。

其他相關產品
|
|
|





