產品展示
您現在的位置: 首頁--產品展示
產品描述
| 結構特點 |
|
|
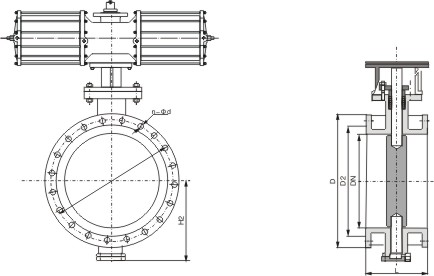
通風蝶閥采用與閥體相同材料加工成密封圈,通風蝶閥適用溫度隨閥體選材而定,公稱壓力≤0.6MPa,本通風蝶閥設計合理,力矩小,操作方便,啟閉迅速,重量輕、價格便宜。通風蝶閥一般適用于工業、冶金、環保等管道作通風調節介質流量之用。 主要特點為: |
|
| 閥體材料 灰鑄鐵 ( HT200、HT250 ) 球墨鑄鐵 ( QT400、QT450 ) 碳鋼 (WCB、WCC、LCB) 鉻鉬鋼 (WC5、WC6、WC9) 合金鋼 不銹鋼 (CF3、CF8、CF3M、CF8M、ZG1Cr18Ni9Ti、ZG1Cr18Ni12Mo2Ti) 內件材料 不銹鋼 ( 2Cr13、1Cr18Ni9、1Cr18Ni9Ti、1Cr18Ni12Mo2Ti、304、316、304L、 | |
| 主要技術參數 |
|
![]() | |
| 主要外形和連接尺寸 | |
![]() | |
![]() | |
其他相關產品
|






