JLH型多功能控制閥

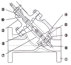
2、l因停止運轉而使流體的流動一性被削弱時.閥瓣受彈簧作用.而關閉閥,這樣完全可以防止一般止回閥因逆流而產生的水擊。
3、三臺一止回閥,園其密封墊是由合成橡膠制作的,因而可以吸收關閉閥擗時所產生的沖擊,并且完全密封。
|
DN |
L |
H |
D |
D1 |
D2 | |||||||
|
1.0MPa |
1.6MPa |
2.5MPa |
1.0MPa |
1.6MPa |
2.5MPa |
1.0MPa |
1.6MPa |
2.5MPa | ||||
|
50 |
205 |
|
293 |
165 |
165 |
165 |
125 |
125 |
125 |
4-18 |
4-18 |
4-18 |
|
65 |
215 |
|
328 |
185 |
185 |
185 |
145 |
145 |
145 |
4-18 |
4-18 |
8-18 |
|
80 |
250 |
|
364 |
200 |
200 |
200 |
160 |
160 |
160 |
8-18 |
8-18 |
8-18 |
|
100 |
320 |
|
418 |
220 |
220 |
235 |
180 |
180 |
190 |
8-18 |
8-18 |
8-22 |
|
125 |
365 |
|
481 |
250 |
250 |
270 |
210 |
210 |
220 |
8-18 |
8-18 |
8-22 |
|
150 |
415 |
380 |
543 |
285 |
285 |
300 |
240 |
240 |
250 |
8-22 |
8-22 |
8-26 |
|
200 |
500 |
450 |
673 |
340 |
340 |
360 |
295 |
295 |
310 |
8-22 |
12-22 |
8-26 |
|
250 |
600 |
540 |
792 |
395 |
405 |
425 |
350 |
355 |
370 |
12-22 |
12-26 |
12-26 |
|
300 |
680 |
600 |
927 |
445 |
460 |
485 |
400 |
410 |
430 |
12-22 |
12-26 |
12-30 |
|
350 |
780 |
635 |
957 |
505 |
520 |
555 |
460 |
470 |
490 |
16-22 |
16-26 |
16-33 |
|
400 |
860 |
700 |
1188 |
565 |
580 |
620 |
515 |
525 |
550 |
16-26 |
16-30 |
16-36 |
|
450 |
920 |
780 |
1218 |
615 |
640 |
670 |
565 |
585 |
600 |
20-26 |
20-30 |
20-36 |
|
500 |
980 |
810 |
1256 |
670 |
715 |
730 |
620 |
650 |
660 |
20-26 |
20-33 |
20-36 |
|
600 |
1100 |
900 |
1600 |
780 |
840 |
|
725 |
770 |
|
20-30 |
20-36 |
|
|
700 |
1450 |
980 |
1750 |
895 |
910 |
|
840 |
840 |
|
24-30 |
24-36 |
|
|
800 |
1650 |
1120 |
1900 |
1015 |
1025 |
|
950 |
950 |
|
24-33 |
24-39 |
|
|
900 |
1800 |
1220 |
2100 |
1115 |
|
|
1050 |
|
|
28-33 |
|
|
|



